LXXXVI 15335008985
Mxy mittebant Ferrum per Sluice porta Overview
Hoc apparatu est maxime composito ex ostium frame, porta laminam, signantes circulum et Novifacta cunge informibus pressura obstructionum. Post portam laborat diu, eius signantes superficies potest esse adaequatum a cuneo informibus pressura obstructionum ut normalis operationem.
Hoc habet rationem rationabile et solidum structuram, fortis gerunt et corrosio resistentia, reliable perficientur, facile installation, committerat, uti et sustentacionem.
Est communiter in aqua conservantia projects ut aqua copia, INCILE et flumen imperium.
Mxy mittebant Ferrum per Sluice portam principalis characteres
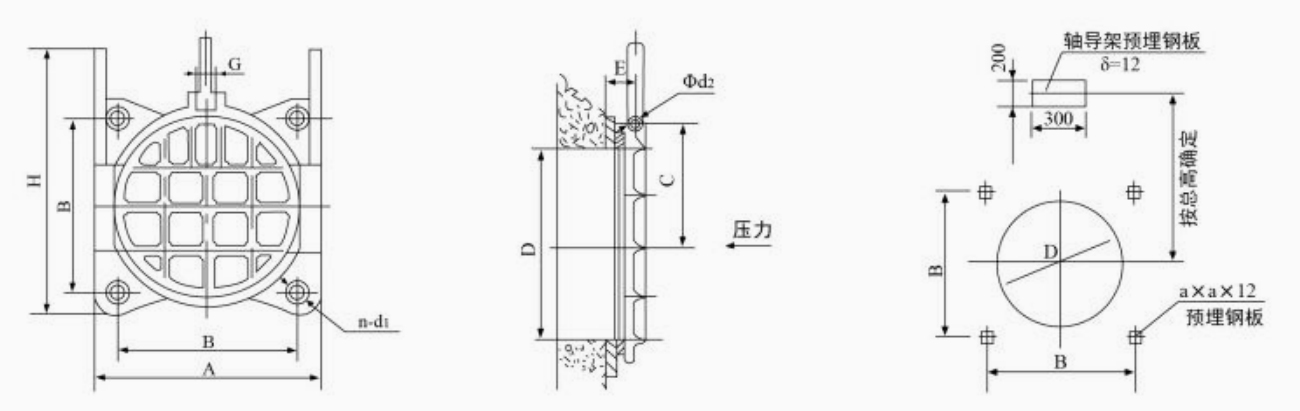
Porta installed ut ostenditur in figura porta laminam sita in aqua-adversus partem;
Maxime licita pressura portae laminam urgeat contra ostium frame est 0,1mpa;
Maxime licita pressura portae laminam urgeat a ostium frame est 0.02MPA;
Et Leakage de signis operandi partes non excedant 1.25l / min.m.
Mxy mittebant Ferrum per Sluice portam magnitudine et exempla
| GRACTAS | Installation dimensiones (mm) | Porta dimensiones (mm) | |||||||
| D | A | B | C | E | G | H | Φd1 | A X A | nxd1 |
| 200 | 382 | 200 | 146 | 70 | 30 | 360 | 18 | 50 | IV × M12 |
| 250 | 426 | 250 | 175 | 75 | 35 | 450 | 18 | 50 | IV × M12 |
| 300 | 470 | 300 | 200 | 80 | 40 | 610 | 20 | 50 | IV × M12 |
| 400 | 580 | 400 | 275 | 83 | 40 | 730 | 20 | 100 | IV × M12 |
| 450 | 642 | 450 | 300 | 83 | 45 | 810 | 25 | 100 | IV × M16 |
| 500 | 680 | 500 | 340 | 83 | 45 | 960 | 25 | 100 | IV × M16 |
| 600 | 780 | 600 | 390 | 95 | 56 | 1010 | 32 | 100 | IV × M16 |
| 700 | 890 | 700 | 440 | 110 | 60 | 1180 | 32 | 100 | IV × M16 |
| 800 | 1000 | 800 | 500 | 110 | 65 | 1380 | 32 | 100 | IV × M16 |
| 900 | 1090 | 900 | 550 | 115 | 70 | 1550 | 32 | 100 | IV x M20 |
| 1000 | 1180 | 1000 | 600 | 115 | 80 | 1660 | 36 | 100 | IV × M22 |
| 1200 | 1400 | 1200 | 700 | 130 | 100 | 2020 | 40 | 100 | IV × M24 |
DN1400, DN3000
| GRACTAS | Installation dimensiones (mm) | Porta dimensiones (mm) | |||||
| D | A | E | C | H | φd | G | a |
| 1400 | 1630 | 180 | 800 | 2400 | 40 | 110 | 150 |
| 1500 | 1750 | 204 | 850 | 2600 | 40 | 110 | 150 |
| 1600 | 1880 | 204 | 900 | 2600 | 44 | 120 | 200 |
| 1700 | 1950 | 204 | 950 | 2800 | 44 | 120 | 200 |
| 1800 | 2050 | 204 | 1000 | 3200 | 44 | 130 | 200 |
| 1900 | 2170 | 204 | 1050 | 3300 | 50 | 130 | 200 |
| 2000 | 2270 | 210 | 1100 | 3500 | 50 | 140 | 200 |
| 2200 | 2490 | 250 | 1200 | 3960 | 55 | 140 | 200 |
| 2400 | 2690 | 250 | 1300 | 4320 | 55 | 140 | 200 |
| 2800 | 3090 | 280 | 1500 | 5040 | 55 | 150 | 200 |
| 3000 | 3300 | 310 | 1600 | 5400 | 60 | 150 | 200 |
















