LXXXVI 15335008985
Akq, AKQM partialis Gyratorius Actuator 100nm-500nm exempla
◆ structuram est fortis et adoptat duplici obsignationem, quae non potest efficaciter ne aqua et pulvis durante-site wiring (IP67 / ip68-2m, XLVIII horas)
◆ recta coegi angularis peregrinatione
◆ tribus tempus, una-phase, et DC potentia copiam actuators
◆ Multi Lingua textu ostentationem screen pro propono status et occasus
◆ aedificavit in notitia logger ut a vexillum pluma
◆ praestare loci et remotis analysis in actuos
◆ Simple, facile ad imperium et indicant functiones
◆ Simple torque et situ imperium ad augendae Reliability
◆ comprehensive imperium et indication mollitiem
◆ IMPERVIUS aut CREPITUS-probationem Specifications sunt available for Electio
◆ Direct Torque output range 50nm (37ibf TT) -500nm (370IBF ft)
Akq Tres-Phase SWITCH Type Actuator perficientur notitia
| Exemplar | Volo (RPM) | Torque (n.m) | Supple voltage (V) | Power Phase Number (PH) | Frequency (HZ) | Motricium Power (KW) | Rated current (a) | Opus ratio | Pondus (kg) |
| Akq250 | 1 | 250 | 380 | 3 | 50 | 0.04 | 0.57 | S2 (15min) | 23 |
| Akq500 | 0.5 | 500 | 380 | 3 | 50 | 0.04 | 0.57 | S2 (15min) | 23 |
| Akq1000 | 1 | 1000 | 380 | 3 | 50 | 0.04 | 0.57 | S2 (15min) | 37 |
| Akq2000 | 0.5 | 2000 | 380 | 3 | 50 | 0.04 | 0.57 | S2 (15min) | 37 |
Akqs perficientur data de uno-phase switch genus actuator
| Exemplar | Volo (RPM) | Torque (n.m) | Supple voltage (V) | Power Phase Number (PH) | Frequency (HZ) | Motricium Power (KW) | Rated current (a) | Opus ratio | Pondus (kg) |
| Akq250 | 1 | 250 | 220 | 1 | 50 | 0.04 | 1.14 | S2 (10min) | 23 |
| Akq500 | 0.5 | 500 | 220 | 1 | 50 | 0.04 | 1.14 | S2 (10min) | 23 |
| Akq1000 | 1 | 1000 | 220 | 1 | 50 | 0.04 | 1.14 | S2 (10min) | 37 |
| Akq2000 | 0.5 | 2000 | 220 | 1 | 50 | 0.04 | 1.14 | S2 (10min) | 37 |
Akqm perficientur notitia ex tribus, tempus regulating actuator
| Exemplar | Volo (RPM) | Torque (n.m) | Supple voltage (V) | Power Phase Number (PH) | Frequency (HZ) | Motricium Power (KW) | Rated current (a) | Opus ratio | Pondus (kg) |
| Akqm250 | 1 | 250 | 380 | 3 | 50 | 0.04 | 0.57 | S4 (XXX%) | 23 |
| Akqm500 | 0.5 | 500 | 380 | 3 | 50 | 0.04 | 0.57 | S4 (XXX%) | 23 |
| Akqm1000 | 1 | 1000 | 380 | 3 | 50 | 0.04 | 0.57 | S4 (XXX%) | 37 |
| Akqm2000 | 0.5 | 2000 | 380 | 3 | 50 | 0.04 | 0.57 | S4 (XXX%) | 37 |
Akqsm unum-phase regulating actuator perficientur notitia
| Exemplar | Volo (RPM) | Torque (n.m) | Supple voltage (V) | Power Phase Number (PH) | Frequency (HZ) | Motricium Power (KW) | Rated current (a) | Opus ratio | Pondus (kg) |
| Akqsm250 | 1 | 250 | 220 | 1 | 50 | 0.04 | 1.14 | S4 (XXX%) | 23 |
| Akqsm500 | 0.5 | 500 | 220 | 1 | 50 | 0.04 | 1.14 | S4 (XXX%) | 23 |
| Akqsm1000 | 1 | 1000 | 220 | 1 | 50 | 0.04 | 1.14 | S4 (XXX%) | 37 |
| Akqsm2000 | 0.5 | 2000 | 220 | 1 | 50 | 0.04 | 1.14 | S4 (XXX%) | 37 |
Akq partialis gyratorius intelligentes actuator externa dimensiones
| Actuator parametri \ actuator cubits | A | B | C | D | E | F | (G) | (H) | (I) |
| Akq125-500 | 306 | 124 | 160 | 135.5 | 202.5 | 277 | 430 | 338 | 54 |
| Akq600-2000 | 308 | 121.5 | 160 | 123.5 | 245 | 340 | 428.5 | 368.5 | 52 |
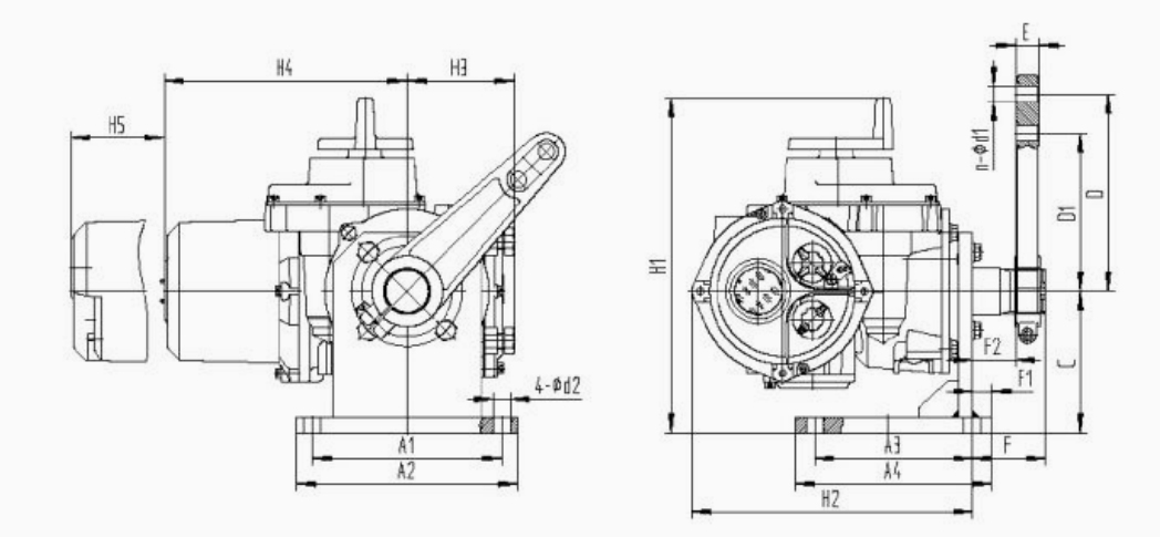
AKQ DJ forma et Connection Dimensiones Base Type Partial Gyratorius Actuator
| Actuator parametri \ actuator cubits | A1 | A2 | A3 | A4 | C | D1 | D | E | F | F1 | F2 | H1 | H2 | H3 | H4 | H5 | n-φD1 | IV-φd2 |
| AKQ DJ1 | 240 | 280 | 180 | 220 | 180 | 100 | 100 | 22 | 68.5 | 20 | 17.5 | 382 | 288 | 124 | 306 | 160 | 18 | 17.5 |
| AKQ DJ2 | 240 | 280 | 200 | 250 | 180 | 200 | 250 | 30 | 93 | 25 | 55 | 425 | 356 | 136 | 308 | 160 | II, φ20 | 22 |
Akqml linearibus actuator structuram dimensiones
| Exemplar | Rated onus N | Rated Travel mm | Rated celeritate mm / s | CYMBALON STEM nexu foraminis F | LABIUM D1 | Flange interiorem foraminis D2 | Flange foraminis D3 | Connectens valvae LABIUM D4 | A | B | H |
| AkqML-LXIV / MMDCCX | 6400 | 10 | 0.27 | M8 × 1,25 | φ80 | φ60d11 | II-φ11 | φ125 | 649 | 377 | 81 |
| AkqML-LXIV / MMDCCXVI | 16 | 0.27 | 75 |
Akq Actuator Flange Size
| Actuator parametri \ actuator cubits | D | D1 | N | d | T | d1 | |
| Akq125-500 | F05 | φ50 | φ38 | 20 | φ25 | φ50 | M6 |
| F07 | φ70 | φ55 | 30 | φ35 | φ70 | M8 | |
| F10 | φ102 | φ69 | 30 | φ42 | φ102 | M10 | |
| Akq600-1000 | F12 | φ125 | φ98 | 50 | φ65 | φ125 | M12 |
| F14 | φ140 | φ98 | 50 | φ65 | φ140 | M16 | |


















