LXXXVI 15335008985
Brevis
The D641X pneumatic flange soft seal butterfly valve has a novel and reasonable design, simple structure, small size, light weight, 90-degree rotation, quick opening and closing, small operating torque, easy operation, labor-saving and dexterous. Potest installed ullo loco facile ponere. Et sigilli potest reponi, et signantes perficientur est reliable ad consequi duo-via signantes et nulla lacus, et signantes materia repugnans senescentis et corrosio, et longum servitium vitae. Cum flacceo papilio valvae in plene aperta situm, crassitudo papilio laminam est resistentia cum medium fluit per valvae corpore. Ideo ex pressura gutta generatae a valvae est valde parvum, ita habet bonum influere potestate characteres. Papilio valvulae non solum late in generali industries ut PETROLEUM, Gas, eget industria, et aqua curatio, sed etiam in refrigerationem aquae ratio of thermal potentia plantis.
Technica modularis
| Pneumatica Actuator libitum Features | Duplex agens, una agens |
| Pneumatic Actuator libitum exempla | In series, AW Series |
| Solenoidal Voltage | Ac110V, AC220V, AC24V, DC24V |
| Air pressura | 2Bar ~ 8Bar |
| Nominis diameter | DN25MM, DN1200MM |
| Nominis pressura | Pn1.0MPA, Pn1.6MPA |
| Applicabiles temperatus | EPDM: -30- 100ºC PTFFE: -30- 120ºC |
| Nexus | Flange |
| CYMBALON corpus Material | Ductile Ferrum, Carbon Steel, immaculatam ferro, Nylon |
| Valvae laminam materiales | Dactile ferrum CCCIV, CCCXVI, 316L, MMDVII, 1,4529, aeris laminam etc. |
| Valvae sedes lining | NBR, EPDM, PTFE |
| Applicabiles | Aquam, Gas, slurry, oleum, etc. |
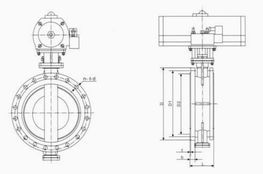
Principalis mensam dimensionem
| DN (mm) | L | D | D1 | D2 | N-φd | b | f |
| 50 | 108 | 165 | 125 | 99 | IV-φ18 | 20 | 2 |
| 65 | 112 | 185 | 145 | 118 | IV-φ18 | 20 | 2 |
| 80 | 114 | 200 | 160 | 135 | VIII-φ18 | 20 | 2 |
| 100 | 127 | 220 | 180 | 156 | VIII-φ18 | 22 | 2 |
| 125 | 140 | 250 | 210 | 184 | VIII-φ18 | 22 | 2 |
| 150 | 140 | 285 | 240 | 211 | VIII-φ22 | 24 | 2 |
| 200 | 152 | 340 | 295 | 266 | XII, φ22 | 24 | 2 |
| 250 | 165 | 405 | 355 | 319 | XII, φ26 | 26 | 2 |
| 300 | 178 | 460 | 410 | 370 | XII, φ26 | 28 | 2 |
| 350 | 190 | 520 | 470 | 429 | XVI, φ26 | 30 | 2 |
| 400 | 216 | 580 | 525 | 480 | XVI, φ30 | 32 | 2 |
| 450 | 222 | 640 | 585 | 548 | XX, φ30 | 40 | 2 |
| 500 | 229 | 715 | 650 | 609 | XX-φ33 | 44 | 2 |
| 600 | 267 | 840 | 770 | 720 | XX, φ36 | 48 | 2 |
| 700 | 292 | 910 | 840 | 754 | XXIV, φ36 | 50 | 5 |
| 800 | 318 | 1025 | 950 | 901 | XXIV, φ39 | 52 | 5 |
| 900 | 330 | 1125 | 1050 | 1001 | XXVIII, φ39 | 54 | 5 |
| 1000 | 410 | 1255 | 1170 | 1112 | XXVIII, φ42 | 56 | 5 |
























